PCIe学习(一)
前面学习CXL和CCIX的时候,发现协议里面遵循PCIe规范的地方基本一带而过,难免给进一步研究带来不便。
学习PCIe协议,直接看协议规范,会感觉很多地方并没有详细解释,看起来晦涩难懂。无意之中找到了MindShare的一本书,《PCI Express Technology - Comprehensive Guide to Generations 1.x, 2.x, 3.0》。书的作者在Intel工作,我猜测很可能是参与过PCIe协议制定,因此整本书无论是从基础原理,还是行文措辞,对初学者非常友好,建议大家阅读。
本系列的学习笔记主要基于以下部分:上面提到的MindShare书;PCIe协议规范5.0;自己的理解(结合ARM体系);少量内容参考PCIe协议规范6.0和网络上的他人分享。
1 介绍
PCIe的全称是PCI-Express(Peripheral Component Interconnect Express),是一种高速串行计算机扩展总线标准。
PCI-Express是由英特尔在2001年提出的,旨在替代旧的PCI/PCI-X和AGP总线标准,并称之为第三代I/O总线技术。PCI-Express最初的名称叫“3GIO”,交由PCI-SIG组织后才改名为PCI-Express,简称PCIe,现在由PCI-SIG组织负责PCIe标准的演进。
时至今日,PCIe标准已经推出了7.0版本。为了描述方便,有时用Gen(Generation)来指代PCIe的版本。比如,Gen3是指PCIe第三版的协议标准。PCIe协议规定了最高物理传输速率,新版本需要兼容老版本的速率。
| PCIe版本** | 传输速率** |
|---|---|
| 1.0** | 2.5 GT/s |
| 2.0** | 5.0 GT/s |
| 3.0** | 8.0 GT/s |
| 4.0** | 16.0 GT/s |
| 5.0** | 32.0 GT/s |
| 6.0** | 64.0 GT/s |
| 7.0** | 128.0 GT/s |
1.1 PCIe链路连接
PCIe组件之间采用的是双向单工(Dual-Simplex)的传输方式。双向指的是在一个物理链接上有收/发两个方向;单工指的是在收或发的物理线路上的数据传输方向是单向的,不可改变。

一对物理连接称为一条Lane。为了增加传输带宽,PCIe允许两个设备间可以由多条Lane连接。通常用xN表示,N为Lane的数量。PCIe支持x1,x2,x4,x8,x12,x16,x32几种链路宽度。目前在实际使用中,x32的情况几乎没有,x12也很少见。

PCIe协议不同版本和链路宽度对应的带宽见下表。
| PCIe版本** | Lanes** | ||||
| x1 | x2 | x4 | x8 | x16 | |
| 1.0** | 250MB | 500MB/s | 1GB/s | 2GB/s | 4GB/s |
| 2.0** | 500MB/s | 1GB/s | 2GB/s | 4GB/s | 8GB/s |
| 3.0** | 1GB/s | 2GB/s | 4GB/s | 8GB/s | 16GB/s |
| 4.0** | 2GB/s | 4GB/s | 8GB/s | 16GB/s | 32GB/s |
| 5.0** | 4GB/s | 8GB/s | 16GB/s | 32GB/s | 64GB/s |
| 6.0** | 8GB/s | 16GB/s | 32GB/s | 64GB/s | 128GB/s |
| 7.0** | 16GB/s | 32GB/s | 64GB/s | 128GB/s | 256GB/s |
需要注意,上表中的带宽是单方向带宽,即Tx或者Rx带宽。有的文献中,在计算PCIe链路带宽时将Tx和Rx加在一起,即上述表中的带宽都乘以2。另外,链路带宽不是有效数据带宽。
PCIe在物理层采用低压差分传输,即一个Tx/Rx对由正负两根传输线(D+,D-)组成。低压差分传输有很强抗干扰性,支持高速远距离传输。

1.2 PCIe结构拓扑
PCIe协议的拓扑结构是树状型,组件之间是点到点(Point-to-Point)连接。

PCIe组件包括以下几种:
- Root Complex:简称RC,是PCIe树状拓扑中的根节点,集成在主机SoC
- Endpoints:简称EP,一般指的是PCIe功能设备,比如网卡,显卡等
- Switch:提供扩展或聚合能力,允许更多的设备连接到一个PCIe端口
- Root Complex Event Collector:可以用来处理错误消息和PME消息
- PCI Express to PCI/PCI-X Bridge:PCIe与PCI/PCI-X的转接桥
-
RC是I/O层次结构的根节点
RC可以支持1个或者多个端口(Port),这些端口被称作“根端口(Root Port)”。每个接口定义一个单独的层次域。每个层次域(Hierarchy Domain)可以由单个EP或包含一个或多个Switch和EP的子层次域组成
通过RC在层次域之间路由对等事务的能力是可选项,不是必须的
RC作为请求者必须支持发起配置请求
允许RC作为请求者支持发起I/O请求
RC作为完成者不可以支持锁定语义(Lock Semantics)
允许RC作为请求者支持发起锁定请求(Locked Request)
RC作为根节点,是PCIe规范中较为复杂的部分。PCIe规范中并没有明确规定RC的实现方案,也就是说需要结合SoC的实际情况。
1.2.2 Endpoints
Endpoint在PCIe树状拓扑结构中承担树叶的角色。
在PCIe规范中,Endpoint分为三种:遗留或者传统EP(Legacy Endpoint),指的是PCI/PCI-X设备,允许主机继续使用先前的驱动和配置软件;原生EP(Native Endpoint),指的是PCIe设备,不再需要继续支持PCI协议特有的规则;RCiEPs(Root Complex Integrated Endpoints),指的是集成在RC内部的设备。
之所以保留这些遗留EP,是为了兼容PCI时代的大量设备。这些设备可能会有一些PCI规范特有的特性,比如支持I/O请求,支持锁定语义等,这些特性在原生EP中已经被舍弃。
关于EP的具体规则比较多,就不列出了,可以参考规范协议。
1.2.3 Switch
PCIe是点到点连接,一条链路需要一组端口。如果RC直接连接EP,那么N个EP就需要RC有N组端口,即使考虑到RC可以支持分叉(Bifurcation)功能,这么多组端口的要求也很难满足。RC需要找一个代理人来协助,这就类似封建社会的朝政,皇帝之下有宰相,宰相管理各级官员,各级官员负责具体事务。
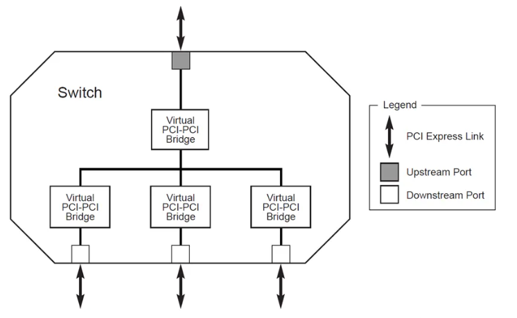
Switch就是负责RC与EP之间的通信桥接,在PCIe树状拓扑结构中承担树枝的角色。简单的PCIe体系可以没有Switch;复杂的PCIe体系可以有很多Switch级联。
Switch被定义为内部包含多个虚拟PCI-PCI桥接设备的逻辑组件。虚拟PCI-PCI桥上方的总线,叫做Primary Bus,下方的总线叫做Secondary Bus,这几个概念与PCIe枚举过程有关,后文详细介绍。

Switch的具体规则如下:
Switch呈现给系统配置软件的是两个或者更多的逻辑PCI-PCI桥
Switch使用PCI桥接机制转发事务
Switch必须可以在任何一组端口之间转发所有类型的TLP
Switch必须支持锁定请求。Switch不需要支持下游端口(Downstream Ports)作为锁定请求的启动端口
Switch端口必须支持协议规定的“流量控制(Flow Control)”
不允许Switch将数据包拆分为更小的数据包
当在同一虚拟信道(Virtual Channel)上发生争抢时,Switch的入站端口(Ingress Ports)之间的仲裁可以使用轮循调度(Round Robin)或加权轮循调度(Weighted Round Robin)来实现
EP在配置软件中不可以将Switch内部总线视为代表Switch下游端口的虚拟PCI-PCI桥的对等端。
1.2.4 Root Complex Event Collector
RC事件收集器是可选项,这是Intel设计中的一个组件,可以用来处理错误消息和PME消息。
1.2.5 PCI Express to PCI/PCI-X Bridge
PCIe与PCI/PCI-X转接桥提供PCIe体系结构和PCI/PCI-X体系结构之间的连接。随着时间的发展,PCI/PCI-X设备越来越少,这部分会慢慢退出历史舞台。
1.3 PCIe分层概述
PCIe在体系结构上分为三个独立的层次:
- 事务层(Transaction Layer):这一层主要负责的事情包括,事务层数据包(Transaction Layer Packet)的生成,也称TLP打包;TLP解析,也称TLP拆包(接收端);服务质量(QoS);流量控制(Flow Control);事务排序(Transaction Ordering),等等
- 数据链路层(Data Link Layer):这一层主要负责的事情包括,数据链路层数据包(Data Link Layer Packet,DLLP)的生成和解析;链路错误检测和校正,等等
- 物理层(Physical Layer):这一层主要负责的事情包括,有续集(Ordered Sets)的生成和解析;并行到串行和串行到并行转换;8b/10b编码和解码(Gen1/2);128b/130b编码和解码(Gen3/4/5);时钟恢复;阻抗匹配;链路训练等等。这一层是三个分层中最为复杂的一层。

PCIe协议是串行总线,发送或接收的是比特流,而且PCIe协议抛弃了PCI协议中的边带信号,因此需要对PCIe的数据流做格式限定,否则接收端根本无法得知发送端到底发了什么。
与网络分层协议一样,在链路的发送端,数据包在每个层包装。事务层负责产生TLP,包括数据包头(Header),数据负载,端到端CRC(End-End CRC,ECRC)。对于某些类型的TLP而言,Data和ECRC不是必须的,因此在下图中用虚线框表示。DLLP是由数据链路层在TLP的基础上,前面加上序列号(Sequence Number),后面加上链路CRC(Link CRC,LCRC)构成的。物理层在拿到DLLP后,前后加上帧符号,形成物理层的数据包,然后发送出去。
在链路的接收端,数据包又在每个层被拆解,最后事务层得到原始的TLP,根据TLP的请求类型进行下一步操作,或是访问存储子系统,或是向处理器发起中断等。

下图中设备A向设备B发起事务,各层负责的数据包部分用颜色区分,与各层的颜色保持一致。

下图是各层的详细框图,因为PCIe协议是双向单工传输,所以组件需要分别实现发送逻辑电路和接收逻辑电路。图中左侧是发送逻辑框图,右侧是接收逻辑框图。各层的具体细节将在后续章节中解释。

【待续】
PCIE学习





